{{ variable.name }} : {{ variable.values[selectedVariantsIndex[variable_index]].name }}
количество:
厂家直供 仪表塑料外壳 PLC控制壳体 3-03尺寸145X90X40仪表壳体产品单价不含端子
编号:3-03
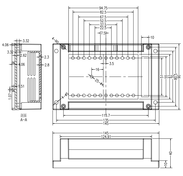
尺寸:145X90X40mm
上下壳全新ABS料生产,卡扣为POM
产品颜色、材料可订制
现货有黑色,灰白供选择(若需黑色务必备注,直接拍下为灰白)
面盖开孔也可订制
此产品为双边装端子
129-7.62间距端子单边可配13位,共26位,链接如下
https://item.taobao.com/item.htm?spm=a1z10.5-c.w4002-703805130.29.lgZDbi&id=27482812682
129-5.0间距端子单边可配20位,共40位,链接如下
https://item.taobao.com/item.htm?spm=a1z10.5-c.w4002-703805130.35.lgZDbi&id=27482884722
以下为产品细节图:









以下图纸供参考,具体以实物为准:

|
||||||||||||||||||||||

| Default | |
| Цветовые варианты | Чёрный, Серо-белый, Серо-белый (только нижняя часть) |